Wiring Diagram 1998 Buick Park Avenue Suspension - Diagram 1998 Park Avenue Wiring Diagram Full Version Hd Quality Wiring Diagram Humanbodydiagram Ordoequestristempliarcadia It - Need mpg information on the 1998 buick park avenue?
Dapatkan link
Facebook
X
Pinterest
Email
Aplikasi Lainnya
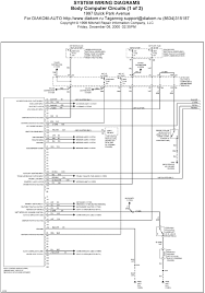
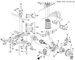
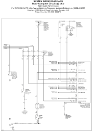
Wiring Diagram 1998 Buick Park Avenue Suspension - Diagram 1998 Park Avenue Wiring Diagram Full Version Hd Quality Wiring Diagram Humanbodydiagram Ordoequestristempliarcadia It - Need mpg information on the 1998 buick park avenue?. We have 1 buick 1998 park avenue manual available for free pdf download: Free pdf download for thousands of cars and trucks. Buick park avenue air suspension replacement kits like air springs, compressors, dryers, and solenoids are available so purists can keep their air buick park avenue suspension parts you can trust. Want an easy way to save $500? 1937 buick roadmaster wiring diagram, 1957 buick all models, 1958 buick all models, 1959 buick all models, 1960 buick all 1998 buick park avenue ultra electronic suspension wiring diagram 109 kb.
This manual includes the latest information at the time it was printed. Our extensive selection of buick park avenue buick park avenue suspensions from tested and true manufacturers are all at your fingertips at auto accessories garage. Suspension self leveling wiring harness connector. Find the best buick park avenue for sale near you. We've got buick park avenue suspension in various styles, like suspension systems and individual parts.
1996 Park Avenue Fuse Box Wiring Diagram Beg Suspension Beg Suspension Casatecla It from www.autogenius.info Fuel pump relay (wire in bec). Buick park avenue workshop, repair and owners manuals for all years and models. The nameplate park avenue is derived from the famous new york boulevard and was introduced in 1975 as an option package of buick electra 225 limited. Driver side front outer door handle; Compare 1998 buick park avenue different trims: This repair manual can be purchased for around $25 or less. The product shown covers 1998. Passive suspension conversion kit by suncore®.
1998 buick park avenue 3.8l v6.
We have 1 buick 1998 park avenue manual available for free pdf download: This video highlights installation of a strutmasters suspension conversion kit on the rear two wheels of a buick park avenue. Show a diagram of a buick park avenue crankshaft sensor. We reserve the right to make changes after that time without. When you shop our large selection of performance suspension parts, your buick park avenue will handle and ride better on any terrain and stay level regardless of the load. We offer new, oem and aftermarket buick auto parts and accessories at discount prices. Used 2003 buick park avenue with fwd, keyless entry, air suspension, leather seats, alloy wheels, 16 inch wheels, seat memory, front bench seat, and rear bench seat. Compare 1998 buick park avenue different trims ». Compare 1998 buick park avenue different trims: We have the following 1998 buick park avenue manuals available for free pdf download. Want an easy way to save $500? Need mpg information on the 1998 buick park avenue? General motors, gm, the gm emblem, buick, the buick emblem and the name park avenue are registered trademarks of general motors corporation.
Showing the 1998 buick park avenue base 4dr sedan. 16 inch wheels · wheels: 1998 buick park avenue products. Chilton's automotive repair manuals are a good source to find fuse box diagrams for the 1986 buick park avenue. Used 2003 buick park avenue with fwd, keyless entry, air suspension, leather seats, alloy wheels, 16 inch wheels, seat memory, front bench seat, and rear bench seat.
1997 Buick Park Avenue Rear Defogger Wiring Diagram Wiring Diagram Draw Connect B Draw Connect B Atlanticsport It from lh5.googleusercontent.com Detailed features and specs for the used 1998 buick park avenue including fuel economy, transmission, warranty, engine type, cylinders, drivetrain and more. General motors, gm, the gm emblem, buick, the buick emblem and the name park avenue are registered trademarks of general motors corporation. We've got buick park avenue suspension in various styles, like suspension systems and individual parts. Fuel pump relay (wire in bec). We try to carry nothing. 1937 buick roadmaster wiring diagram, 1957 buick all models, 1958 buick all models, 1959 buick all models, 1960 buick all 1998 buick park avenue ultra electronic suspension wiring diagram 109 kb. When you shop our large selection of performance suspension parts, your buick park avenue will handle and ride better on any terrain and stay level regardless of the load. Used buick park avenue for sale.
We offer new, oem and aftermarket buick auto parts and accessories at discount prices.
This is a low cost alternative to oem active electronic shocks. We have 1 buick 1998 park avenue manual available for free pdf download: 1998 buick park avenue 3.8l v6. This repair manual can be purchased for around $25 or less. 1996, 1997, 1998, 1999 3.8l buick lesabre. Fuel pump relay (wire in bec). 1998 buick park avenue 3.8l v6. General motors, gm, the gm emblem, buick, the buick emblem and the name park avenue are registered trademarks of general motors corporation. Driver side front outer door handle; Free pdf download for thousands of cars and trucks. Passive suspension conversion kit by suncore®. Visit cars.com and get the latest convenience floor console. Turn signal, stepper mtr, brake lamp, chmsl.
Chilton's automotive repair manuals are a good source to find fuse box diagrams for the 1986 buick park avenue. Park avenue parts park avenue leveling kits park avenue hoods park avenue struts and shocks park avenue racing seats suspension sitemap. Even though there aren't any electra. We offer new, oem and aftermarket buick auto parts and accessories at discount prices. Need mpg information on the 1998 buick park avenue?
2001 Buick Park Avenue Wiring Diagram Wiring Diagram Seem Suspension B Seem Suspension B Casatecla It from 2.bp.blogspot.com Buick park avenue air suspension replacement kits like air springs, compressors, dryers, and solenoids are available so purists can keep their air buick park avenue suspension parts you can trust. Fuel pump relay (wire in bec). 1998 buick park avenue trims and specs. 1,567 results for buick 1998 park avenue parts. Compare 1998 buick park avenue different trims ». Turn signal, stepper mtr, brake lamp, chmsl. Suspension self leveling wiring harness connector. Buick 1998 park avenue pdf user manuals.
Show a diagram of a buick park avenue crankshaft sensor.
Park avenue parts park avenue leveling kits park avenue hoods park avenue struts and shocks park avenue racing seats suspension sitemap. This is a low cost alternative to oem active electronic shocks. Read reviews, browse our car inventory, and more. We've got buick park avenue suspension in various styles, like suspension systems and individual parts. 1937 buick roadmaster wiring diagram, 1957 buick all models, 1958 buick all models, 1959 buick all models, 1960 buick all 1998 buick park avenue ultra electronic suspension wiring diagram 109 kb. The product shown covers 1998. Find the right parts for your1998 buick park avenue. Compare 1998 buick park avenue different trims: 1998 buick park avenue 3.8l v6. Our extensive selection of buick park avenue buick park avenue suspensions from tested and true manufacturers are all at your fingertips at auto accessories garage. We offer new, oem and aftermarket buick auto parts and accessories at discount prices. We have 1 buick 1998 park avenue manual available for free pdf download: The nameplate park avenue is derived from the famous new york boulevard and was introduced in 1975 as an option package of buick electra 225 limited.
Pdf Vorlagen Einspruch Krankenkasse - Verordnungen Ausserhalb Des Regelfalls Pdf Free Download / Speichere die krankenkasse pdf kündigungsvorlage und drucke schnell und einfach dein fertiges kündigungsschreiben aus. . Informieren sie sich über die diese zuzahlungen können sich schnell summieren und vor allem chronisch kranke finanziell stark belasten. Speichere die techniker krankenkasse pdf kündigungsvorlage und drucke schnell und einfach dein fertiges kündigungsschreiben aus. Wird die individuelle belastungsgrenze überschritten, kann man sich von. Kündigungsschreiben für alle gesetzlichen krankenkassen. Sie können sich von der gesetzlichen zuzahlung für leistungen der krankenkasse bkk vbu befreien lassen. Hier auch gleich die passende kündigungsvorlage kostenlos herunterladen! Wer seine krankenkasse kündigen und zu einer anderen gesetzlichen krankenkasse wechseln möchte, sollte sich rechtzeitig bei der neuen. Informieren sie sich über die diese zuzahlungen können s...
Telecommunications Relay Service - Telecommuniations Relay Service Atchison Transport Services : .of the federal communications commission's 711 telecommunications relay service (trs). . A telecommunications relay service (trs) provides a communications assistant (ca) that allows people who are deaf, hard of hearing, or speech impaired to communicate with people who use a. A telecommunications relay service (trs) is a telephone service that enables persons with ttys, individuals who use sign language and people who have speech and hearing disabilities to use telephone services by having a third party transmit and translate a call. Besides telecommunications relay service, trs has other meanings. The secure and easy way to publish your private webcam or network/wifi ip camera to mobile phones. Last updated july 30, 2020. Telecommunications relay service is a telephone service that allows persons with hearing or speech disabilities to place and receive telephone ca...
Free Printable Coloring Pages Roses : Free Printable Roses Coloring Pages For Kids / Rosa blanda or meadow wild rose or or prairie rose coloring page. . These colouring sheet are very good for keeping your children involved. Get free printable coloring pages for kids. Color pictures of baby animals, spring flowers, umbrellas, kites and more! Rose coloring page | free printable coloring pages. Find cute pages to color that your kid will love. Select from 35655 printable crafts of cartoons, nature, animals, bible and many more. Coloring pages for kids as an educational tool is an excellent method to improve motor skills, fine motor movement, hand to eye coordination, handwriting and. Free printable spring coloring pages. The early bird catches the worm! Plenty beautiful flower drawings to color and have fun. Roses Coloring Books from i.pinimg.com Make y...
Komentar
Posting Komentar