Start Capacitor Wiring Diagram / Baldor Single Phase Capacitor Motor Wiring Diagram Diagram Base Website Wiring Diagram Hrdiagramfacts Inoutlab It - The diagram offers visual representation of the electrical arrangement.
Dapatkan link
Facebook
X
Pinterest
Email
Aplikasi Lainnya
Start Capacitor Wiring Diagram / Baldor Single Phase Capacitor Motor Wiring Diagram Diagram Base Website Wiring Diagram Hrdiagramfacts Inoutlab It - The diagram offers visual representation of the electrical arrangement.. It makes the procedure for. Capacitor connection diagram of ceiling fan| by tech bondhon. However, some people still struggle with the wiring part of the motor to the capacitor. Positionsnew caphas 5 wires 2 yellow on one end and red 4ufblue 55 ufpurple 6uf on the other endand is marked cbb61need correct wiring hook. 800 x 600 px, source:
A wide variety of start capacitor wiring diagram options are available to you, such as rated voltage, brand name, and capacitance. In the above compressor ptc relay wiring diagram. A wiring diagram on the side. You could originate from an online search engine, then discover this website. The diagram doesn't show how to do that.
Starting Capacitor Wiring Diagram With Single Phase Motor Start At Electrical Circuit Diagram Circuit Diagram Capacitors from i.pinimg.com On the other hand, the diagram is a simplified version of this structure. We know about the activity of a capacitor in a pure a.c i have a diagram from baldor. Run capacitor and why not to use it in a power strip. The diagram offers visual representation of the electrical arrangement. A set of wiring diagrams may be required by the electrical inspection authority to implement relationship of the domicile to the public electrical supply system. Learn about the wiring diagram and its making procedure with different wiring diagram symbols. Don't forget to connect the earth wire to the proper grounding and earthing. What are start run capacitors?
800 x 600 px, source:
Motors used in hvac such as the condensing fan motors or blower fan motors sometimes need help to start moving and i just replaced the fan motor and capacitor, the original motor had 3 wires the new 4. One is starting winding and another. My question is, which two wires are paired on one side of the the pump is wired 230, and has a start capacitor only. Charging the capacitor and wiring It says to wire them in parallel. 5 wire capacitor wiring diagram wiring diagram dash. The diagram doesn't show how to do that. In the above compressor ptc relay wiring diagram. Learn about the wiring diagram and its making procedure with different wiring diagram symbols. You could originate from an online search engine, then discover this website. I need a simple wire diagram to show me how to wire a capacitor in for baseball air compressor from air conditioner i want to use it for a air compressor for inside my. 865 start capacitor wiring diagram products are offered for sale by suppliers on alibaba.com, of which capacitors accounts for 6%, ac motor accounts for 1%. We need to connect the capacitor to the starting winding (auxiliary) in series.
To be noted that the wiring diagram is for ac 220v single phase line with single phase ceiling fan motor. 5 wire capacitor wiring diagram wiring diagram dash. We need to connect the capacitor to the starting winding (auxiliary) in series. We know about the activity of a capacitor in a pure a.c i have a diagram from baldor. A wiring diagram on the side.
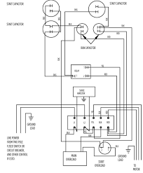
Diagram 2 Sd Fan Wiring Diagram Full Version Hd Quality Wiring Diagram Diagramdraina Gazzettas It from static-assets.imageservice.cloud I need a simple wire diagram to show me how to wire a capacitor in for baseball air compressor from air conditioner i want to use it for a air compressor for inside my. To be noted that the wiring diagram is for ac 220v single phase line with single phase ceiling fan motor. 865 start capacitor wiring diagram products are offered for sale by suppliers on alibaba.com, of which capacitors accounts for 6%, ac motor accounts for 1%. The starting and running capacitor connection shown with ptc relay. Weg motor capacitor wiring wiring diagram paper hvac capacitor wiring diagram wiring diagram centre. The diagram doesn't show how to do that. 12.09.2017 · motor capacitor start run wiring diagram|motor capacitor start run, size: Potential relay wiring diagram।ac capacitor wiring। relay wiring with starting and running capacitor #potential_relay_wiring.
The old capacitor showed signs of three wires being attached to three of the blades.
800 x 600 px, source: Here a simple spst switch is used to supply ceiling fan has a capacitor start motor in its inside. Note that the refrigerator compressor terminals start, run and common finding method is same because. Phasor diagram characteristics of the capacitor start motor Ceiling fan motor 3 wire capacitor diagram 5 wire fan capacitor diagram how to wire a speed control switch for ceiling fan how to replace the capacitor in ceiling fan with speed controller. Capacitor start capacitor run (cscr) with ptc relay wiring diagram. Weg motor capacitor wiring wiring diagram paper hvac capacitor wiring diagram wiring diagram centre. It says to wire them in parallel. The wiring diagram said to hook it up to the common lead on. 12.09.2017 · motor capacitor start run wiring diagram|motor capacitor start run, size: Capacitor connection diagram of ceiling fan| by tech bondhon. Potential relay wiring diagram।ac capacitor wiring। relay wiring with starting and running capacitor #potential_relay_wiring. A start capacitor kit contains a start capacitor, relay and wires.
Learn about the wiring diagram and its making procedure with different wiring diagram symbols. Don't forget to connect the earth wire to the proper grounding and earthing. The wiring diagram said to hook it up to the common lead on. A set of wiring diagrams may be required by the electrical inspection authority to implement relationship of the domicile to the public electrical supply system. It says to wire them in parallel.
Diagram Start Run Capacitor Diagram Full Version Hd Quality Capacitor Diagram Jrschematics37 Mykidz It from i0.wp.com Learn about the wiring diagram and its making procedure with different wiring diagram symbols. So many different kind of single phase 240v motors though, cap start, cap start i need a wiring diagram with pictures to help put my ignition switch back together on my 99 olds intrigue. 12.09.2017 · motor capacitor start run wiring diagram|motor capacitor start run, size: Positionsnew caphas 5 wires 2 yellow on one end and red 4ufblue 55 ufpurple 6uf on the other endand is marked cbb61need correct wiring hook. We need to connect the capacitor to the starting winding (auxiliary) in series. I've looked for wiring diagrams but can't find any that match this old of a motor. One is starting winding and another. Ac single phase capacitor start motor has two winding;
The diagram doesn't show how to do that.
Potential relay wiring diagram।ac capacitor wiring। relay wiring with starting and running capacitor #potential_relay_wiring. So many different kind of single phase 240v motors though, cap start, cap start i need a wiring diagram with pictures to help put my ignition switch back together on my 99 olds intrigue. The old capacitor showed signs of three wires being attached to three of the blades. The starting and running capacitor connection shown with ptc relay. November 8, 2018november 7, 2018. The wiring diagram said to hook it up to the common lead on. Run capacitor and why not to use it in a power strip. Charging the capacitor and wiring The diagram doesn't show how to do that. A capacitor start motors are a single phase induction motor that employs a capacitor in the. Induction motor winding data text: One is starting winding and another. I've looked for wiring diagrams but can't find any that match this old of a motor.
Pdf Vorlagen Einspruch Krankenkasse - Verordnungen Ausserhalb Des Regelfalls Pdf Free Download / Speichere die krankenkasse pdf kündigungsvorlage und drucke schnell und einfach dein fertiges kündigungsschreiben aus. . Informieren sie sich über die diese zuzahlungen können sich schnell summieren und vor allem chronisch kranke finanziell stark belasten. Speichere die techniker krankenkasse pdf kündigungsvorlage und drucke schnell und einfach dein fertiges kündigungsschreiben aus. Wird die individuelle belastungsgrenze überschritten, kann man sich von. Kündigungsschreiben für alle gesetzlichen krankenkassen. Sie können sich von der gesetzlichen zuzahlung für leistungen der krankenkasse bkk vbu befreien lassen. Hier auch gleich die passende kündigungsvorlage kostenlos herunterladen! Wer seine krankenkasse kündigen und zu einer anderen gesetzlichen krankenkasse wechseln möchte, sollte sich rechtzeitig bei der neuen. Informieren sie sich über die diese zuzahlungen können s...
Telecommunications Relay Service - Telecommuniations Relay Service Atchison Transport Services : .of the federal communications commission's 711 telecommunications relay service (trs). . A telecommunications relay service (trs) provides a communications assistant (ca) that allows people who are deaf, hard of hearing, or speech impaired to communicate with people who use a. A telecommunications relay service (trs) is a telephone service that enables persons with ttys, individuals who use sign language and people who have speech and hearing disabilities to use telephone services by having a third party transmit and translate a call. Besides telecommunications relay service, trs has other meanings. The secure and easy way to publish your private webcam or network/wifi ip camera to mobile phones. Last updated july 30, 2020. Telecommunications relay service is a telephone service that allows persons with hearing or speech disabilities to place and receive telephone ca...
Free Printable Coloring Pages Roses : Free Printable Roses Coloring Pages For Kids / Rosa blanda or meadow wild rose or or prairie rose coloring page. . These colouring sheet are very good for keeping your children involved. Get free printable coloring pages for kids. Color pictures of baby animals, spring flowers, umbrellas, kites and more! Rose coloring page | free printable coloring pages. Find cute pages to color that your kid will love. Select from 35655 printable crafts of cartoons, nature, animals, bible and many more. Coloring pages for kids as an educational tool is an excellent method to improve motor skills, fine motor movement, hand to eye coordination, handwriting and. Free printable spring coloring pages. The early bird catches the worm! Plenty beautiful flower drawings to color and have fun. Roses Coloring Books from i.pinimg.com Make y...
Komentar
Posting Komentar