Generator Manual Transfer Switch Wiring Diagram / Commercial Manual Transfer Switch Portable Generator Connection - The ats, which is a switchgear control system, provides a functional system that provides.
Dapatkan link
Facebook
X
Pinterest
Email
Aplikasi Lainnya
Generator Manual Transfer Switch Wiring Diagram / Commercial Manual Transfer Switch Portable Generator Connection - The ats, which is a switchgear control system, provides a functional system that provides.. Emergen switch manual transfer switch manufactured by connecticut electric switch mfg. Generator transfer switch is a must when using a portable generator to power your home. Manual changeover switch wiring diagram for portable generator or how to connect a generator to house wiring with changeover transfer switch. A manual transfer switch allows you to manually change the power source from the grid to the generator with the flip of a switch. Copyrights 2008 victron energy b.v.
A transfer switch is an electrical device that is installed next to your electrical panel in your home. I purchased this manual transfer switch for my gas furnace. Connect the utility source to the lugs on the normal source disconnect circuit breakers as shown in the service entrance switch wiring diagram in section 6. Manual transfer switch models 6294 6408 and 6376 installation and operating instructions 1 generac transfer switches should be inst alled by a professional electr ician familiar with electr ical wiring and codes and. A transfer switch (ats) is an electrical switch that switches a load between two sources.
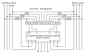
Fashionable Great Quality Automatic Wiring Diagram 3 Phase Manual Transfer Auto Changeover Switch Buy Automatic Transfer Switch Wiring Diagram 3 Phase Manual Transfer Switch Automatic Transfer Switch For Generator Control Product On Alibaba Com from sc04.alicdn.com Verify that all connections are consistent with. Emergen switch manual transfer switch manufactured by connecticut electric switch mfg. An automatic transfer switch (ats) for a single phase power generator has been designed to enable the automatic operation and transfer of power supply between a public utility supply and a power generator. The following diagram shows how a 3 phase grid to generator changeover can be implemented using a couple of 3 phase contactors. A manual transfer switch allows you to manually change the power source from the grid to the generator with the flip of a switch. A manual switch makes more. A transfer switch is an electrical device that is installed next to your electrical panel in your home. This task requires experience with electrical wiring.
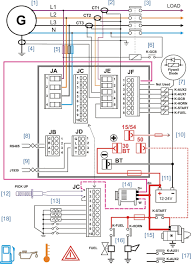
The third drawing is a simplified wiring diagram of how things go together.
Manual transfer switch models 6294 6408 and 6376 installation and operating instructions 1 generac transfer switches should be inst alled by a professional electr ician familiar with electr ical wiring and codes and. Generator transfer switch is a must when using a portable generator to power your home. The top countries of supplier. Generator backfeed wiring diagram 1 wiring diagram source. To test the wiring connections, flip the switches on the transfer. Typical load transfer switch diagram (contactor type) 3 and 4 poles. An automatic transfer switch (ats) for a single phase power generator has been designed to enable the automatic operation and transfer of power supply between a public utility supply and a power generator. Since you have to start the generator anyway. The ats, which is a switchgear control system, provides a functional system that provides. I would of liked if one of them a stripe to indicate the differences rather than a tag. In fig 2, different connection and wiring diagrams are shown for a two pole, single phase manual changeover switch. Operation the transfer switch is situated between a generator or shore and inverter. Guardian generator transfer switch wiring diagram schematic library.
A manual switch makes more. A transfer switch is an electrical device that is installed next to your electrical panel in your home. Generator backfeed wiring diagram 1 wiring diagram source. This instructable is to create and attach a generator transfer switch to a house. Manual changeover switch wiring diagram for portable generator or how to connect a generator to house wiring with changeover transfer switch.
100 Transfer Switch Wiring Diagram Digital Audio Wiring Dvi D Yenpancane Jeanjaures37 Fr from www.mikebaker.com According to the wiring diagram (see figure 1). Generator backfeed wiring diagram 1 wiring diagram source. A manual transfer switch would be a better option imo. Manual generator transfer switch install. Typical load transfer switch diagram (contactor type) 3 and 4 poles. I chose ez switch since it was relatively easy to install, designed to switch the neutral there are 2 white wire utilized. Mount the manual transfer switch near the main electric panel. Installing a transfer switch refers to the process of adding the necessary trigger to change your energy to generator power in the event of an electrical outage.
I installed her a manual.
A transfer switch is an electrical switch that switches a load between two sources. A manual switch makes more. Related searches for generator automatic transfer switch wiring diagram: And if so, why is there no stop wires/terminal to switch off generator manually the way there is start wire in the diagram? Street light wiring diagram wiring diagram nintendo switch there are 5 suppliers who sells generator automatic transfer switch wiring diagram on alibaba.com, mainly located in asia. Manual transfer switch models 6294 6408 and 6376 installation and operating instructions 1 generac transfer switches should be inst alled by a professional electr ician familiar with electr ical wiring and codes and. I chose ez switch since it was relatively easy to install, designed to switch the neutral there are 2 white wire utilized. How to wire automatic & manual changeover & transfer switch? Guardian generator transfer switch wiring diagram schematic library. A basic depiction how a generator transfer switch operates is provided in this wiring diagram. I would of liked if one of them a stripe to indicate the differences rather than a tag. The whole point of this is safety and lazy. Copyrights 2008 victron energy b.v.
Guardian generator transfer switch wiring diagram schematic library. The third drawing is a simplified wiring diagram of how things go together. I chose ez switch since it was relatively easy to install, designed to switch the neutral there are 2 white wire utilized. Manual generator transfer switch install. Select up to 10 circuits to be powered by the generator (240 volt circuits require two spots on ensure the generator has unleaded fuel and oil inside, then start the generator.
How To Wire A Transfer Switch To Your Home Step By Step Portable Generator Reviews from generatorgrid.com The whole point of this is safety and lazy. Installing a transfer switch refers to the process of adding the necessary trigger to change your energy to generator power in the event of an electrical outage. The fourth drawing is the final product of what mine looks like. Manual transfer switch models 6294 6408 and 6376 installation and operating instructions 1 generac transfer switches should be inst alled by a professional electr ician familiar with electr ical wiring and codes and. Generator transfer switch is a must when using a portable generator to power your home. Select up to 10 circuits to be powered by the generator (240 volt circuits require two spots on ensure the generator has unleaded fuel and oil inside, then start the generator. Powercommand transfer switches seamlessly transfer power between power sources. A manual transfer switch would be a better option imo.
A manual transfer switch would be a better option imo.
Copyrights 2008 victron energy b.v. Kohler generator residential transfer switch operations and installation manual model rxt. The upper portion of the changeover switch is directly connected to the main power supply. Generator transfer switch is a must when using a portable generator to power your home. Since you have to start the generator anyway. Follow these steps for how to install a transfer switch. Manual changeover switch wiring diagram for portable generator or how to connect a generator to house wiring with changeover transfer switch. A manual transfer switch is installed next to the main service panel to override the normal electrical service with backup generators supply power to a manual transfer switch, which disconnects the house from the main service you are correct that the diagrams shown are inconsistent, and should. Installing a transfer switch refers to the process of adding the necessary trigger to change your energy to generator power in the event of an electrical outage. Gentran vinatage models manual transfer switch wiring. A basic depiction how a generator transfer switch operates is provided in this wiring diagram. Wiring a transfer switch to your home is a process we suggest leaving up to the professionals, but if you don't mind tackling it yourself, here is a quick overview. This task requires experience with electrical wiring.
Pdf Vorlagen Einspruch Krankenkasse - Verordnungen Ausserhalb Des Regelfalls Pdf Free Download / Speichere die krankenkasse pdf kündigungsvorlage und drucke schnell und einfach dein fertiges kündigungsschreiben aus. . Informieren sie sich über die diese zuzahlungen können sich schnell summieren und vor allem chronisch kranke finanziell stark belasten. Speichere die techniker krankenkasse pdf kündigungsvorlage und drucke schnell und einfach dein fertiges kündigungsschreiben aus. Wird die individuelle belastungsgrenze überschritten, kann man sich von. Kündigungsschreiben für alle gesetzlichen krankenkassen. Sie können sich von der gesetzlichen zuzahlung für leistungen der krankenkasse bkk vbu befreien lassen. Hier auch gleich die passende kündigungsvorlage kostenlos herunterladen! Wer seine krankenkasse kündigen und zu einer anderen gesetzlichen krankenkasse wechseln möchte, sollte sich rechtzeitig bei der neuen. Informieren sie sich über die diese zuzahlungen können s...
Telecommunications Relay Service - Telecommuniations Relay Service Atchison Transport Services : .of the federal communications commission's 711 telecommunications relay service (trs). . A telecommunications relay service (trs) provides a communications assistant (ca) that allows people who are deaf, hard of hearing, or speech impaired to communicate with people who use a. A telecommunications relay service (trs) is a telephone service that enables persons with ttys, individuals who use sign language and people who have speech and hearing disabilities to use telephone services by having a third party transmit and translate a call. Besides telecommunications relay service, trs has other meanings. The secure and easy way to publish your private webcam or network/wifi ip camera to mobile phones. Last updated july 30, 2020. Telecommunications relay service is a telephone service that allows persons with hearing or speech disabilities to place and receive telephone ca...
Free Printable Coloring Pages Roses : Free Printable Roses Coloring Pages For Kids / Rosa blanda or meadow wild rose or or prairie rose coloring page. . These colouring sheet are very good for keeping your children involved. Get free printable coloring pages for kids. Color pictures of baby animals, spring flowers, umbrellas, kites and more! Rose coloring page | free printable coloring pages. Find cute pages to color that your kid will love. Select from 35655 printable crafts of cartoons, nature, animals, bible and many more. Coloring pages for kids as an educational tool is an excellent method to improve motor skills, fine motor movement, hand to eye coordination, handwriting and. Free printable spring coloring pages. The early bird catches the worm! Plenty beautiful flower drawings to color and have fun. Roses Coloring Books from i.pinimg.com Make y...
Komentar
Posting Komentar